Adecuado para Brompton pequeño paño plegable coche Bai Rui Teng Jiaming código reloj titular del teléfono móvil adecuado para el ojo de gato titular de la lámpara Gopro
Código: WB-240515-40810

Hacer que importar sea más cómodo
Usted
Enviar lista de compra
CHILATSHOP Servicio
Ofrecemos cotización integrada con precios EXW (recogida en fábrica) o FOB (entrega en puerto de salida)
1
Selección y cotización
2
Confirmación y pago
3
Supervisión y control de calidad
4
Consolidación y transporte
5
Despacho aduanal y entrega
Atributos clave
| Si la exportación transfronteriza está disponible exclusivamente | No |
| Categoría FUENTE | En stock |
| Inventario o no | Sí |
| Marca | Sukou |
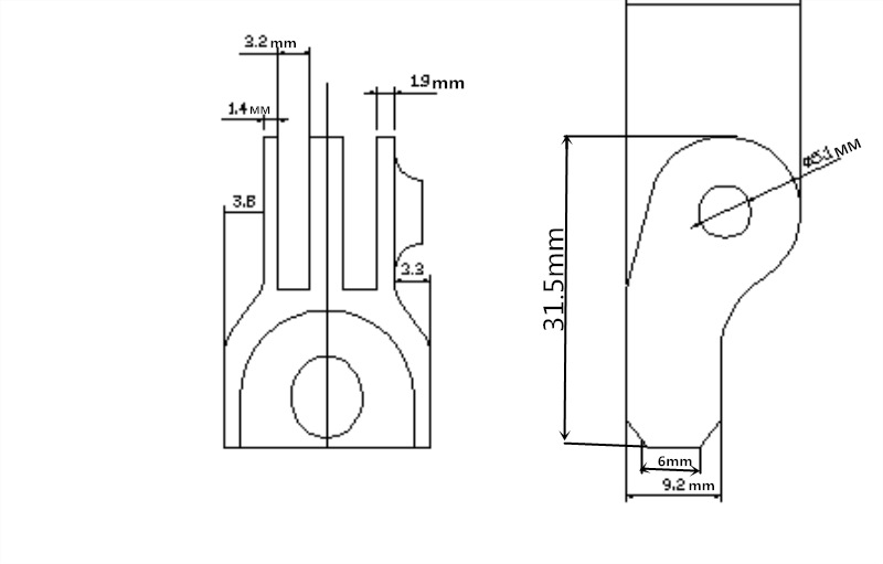
| Color | Negro adecuado para Brompton pequeño paño Gopro rack 1196,Plata adecuado para Brompton pequeño paño Gopro rack 1196,Gopro asiento a Jiaming/Blackbird medidor de código asiento 1201G,Gopro Seat 1201B Gopro Seat 1201B,Gopro asiento de tabla de códigos WAHOO asiento 1201W,Asiento gopro de bloqueo rápido de dos patas (altura total 46mm/23g),Aplicable a Brompton pequeño paño gopro marco de transferencia gato ojo coche lámpara titular,Aplicable a Brompton pequeño paño gopro marco transferencia nieve dragón coche lámpara titular,Adecuado para Brompton pequeño paño gopro rack Jiaming código placa asiento,Tenedor fijo del teléfono móvil de la pequeña Correa elástico especial del paño conveniente para el teléfono móvil de 4 ~ 6,5 pulgadas,Negro adecuado para Brompton paño pequeño soporte de teléfono móvil,Plata adecuado para Brompton pequeño paño titular del teléfono móvil,Sostenedor de la lámpara del ojo de gato conveniente para los modelos volt300 ~ 800,Adecuado para luces de dragón de nieve o asiento adaptador de soporte para teléfono móvil,Nueva lámpara del Dragón de la nieve con el interfaz masculino de la dos-pierna (plástico sobre 3G),Negro 4 ~ 7,5 pulgadas teléfono móvil vinculante placa compatible con Jiaming negro pájaro Walker iGPS especificación tabla placa,Adecuado para Enfitnix Yinghao soporte de la lámpara de material plástico,Aplicable a Blackbird/rock ROCKBROS 200 Lumen portalámparas |
| Procesamiento personalizado | Sí |
Mostrar más
Descripcion
Venta por lotes: la cantidad añadida es el mínimo requerido
US$ 0.421 - US$ 10.673
>=1 pcs
1. Color:


















2. Tamaño:
Tamaño libre
La cantidad indicada corresponde al pedido mínimo requerido por la fábrica; si necesitas ajustar la cantidad del producto, después de enviar el presupuesto, un gerente de compras hispanohablante se pondrá en contacto contigo para discutir los detalles del producto.




















































