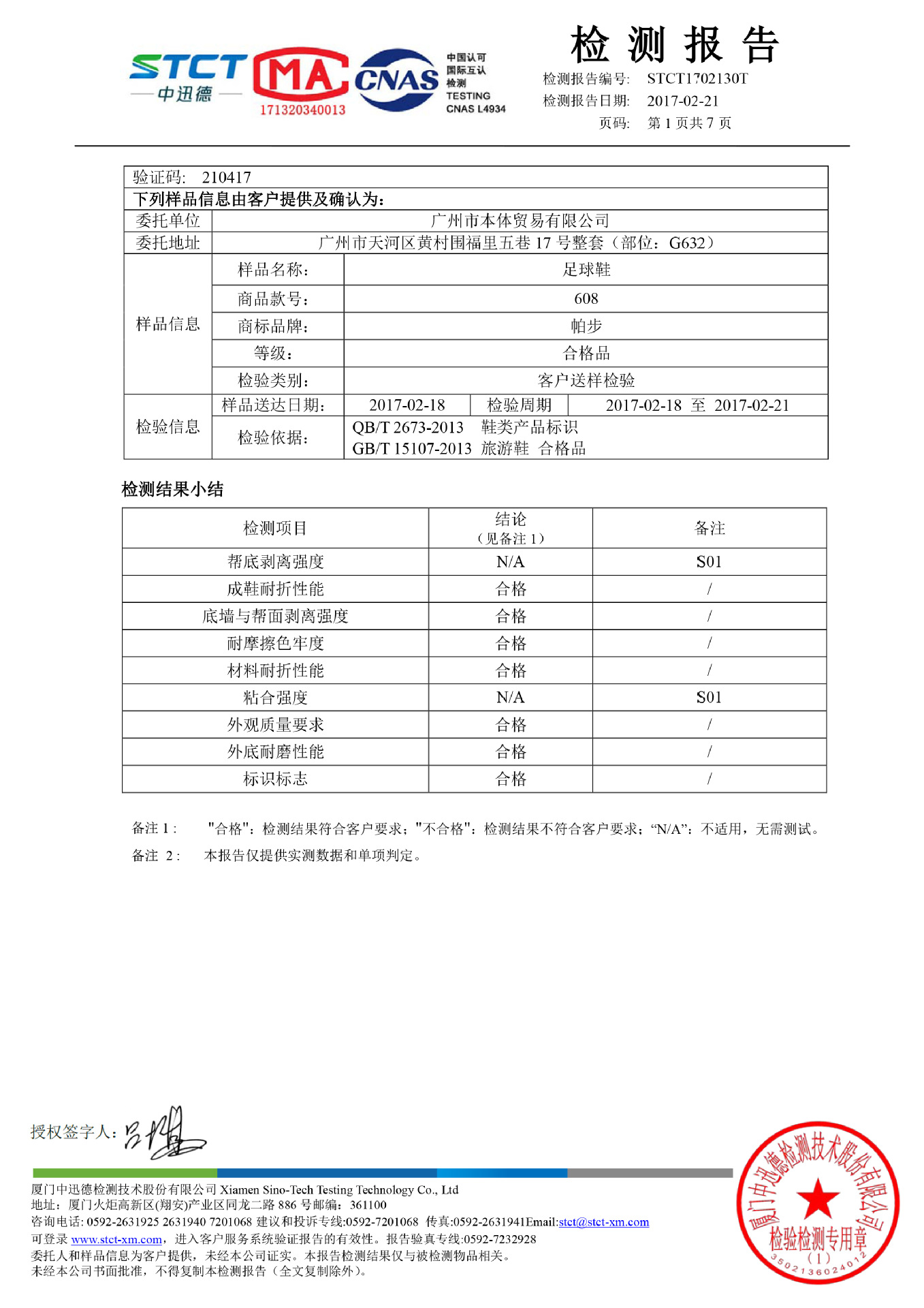
Zapatos de fútbol profesionales con tacos rotos para hombres y mujeres, estudiantes universitarios, zapatos para exteriores para adultos, zapatos de entrenamiento para competición en césped de escuela primaria y secundaria
Código: WB-240515-99952
Hacer que importar sea más cómodo
Usted
Enviar lista de compra
CHILATSHOP Servicio
Ofrecemos cotización integrada con precios EXW (recogida en fábrica) o FOB (entrega en puerto de salida)
1
Selección y cotización
2
Confirmación y pago
3
Supervisión y control de calidad
4
Consolidación y transporte
5
Despacho aduanal y entrega
Atributos clave
| Proceso de suela | Zapatos de viscosa |
| Principales plataformas aguas abajo | Otros |
| Escenarios aplicables | Otros deportes de pelota |
| Ya sea en stock | Sí. |
| Ya sea para exportaciones transfronterizas | Sí. |
| Grueso | Grueso ordinario |
Mostrar más
Descripcion
Venta por lotes: la cantidad añadida es el mínimo requerido
US$ 6.429
>=1 pcs
1. Color:



2. Tamaño:
31
32
33
34
35
36
37
38
39
40
41
42
43
44
45
La cantidad indicada corresponde al pedido mínimo requerido por la fábrica; si necesitas ajustar la cantidad del producto, después de enviar el presupuesto, un gerente de compras hispanohablante se pondrá en contacto contigo para discutir los detalles del producto.




















































